Описание
Замки Apecs серии 16 - универсальные врезные замки под ручку и евроцилиндр для деревянных и металлических входных дверей с межосевым расстоянием 55 мм.
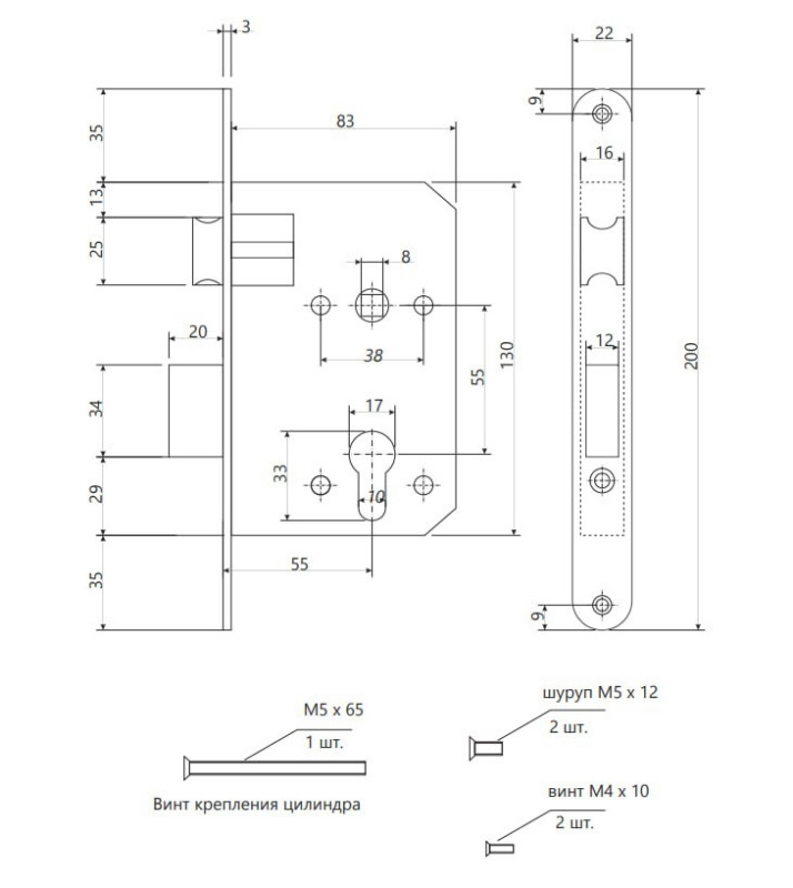
По посадочным размерам замки 16 серии подходят для замены замков ДААЗ, Зенит ЗВ4-3.1 (04,06) и замков Меттем с межосевым расстоянием 55 мм.
Замки имеют сертификат соответствия согласно ГОСТ 5089-2011.
Рекомендуемая толщина двери: 40 - 60 мм.
Рекомендации по использованию с другими товарами:
- механизм секретности 3 класса согласно ГОСТ и выше.
Назначение - Общее
Рекомендован для установки в входные двери - Да
Рекомендован для установки в межкомнатные двери - Да
Тип крепления - Лицевая планка
Тип ригелей - Классический/Прямоугольный
Вылет ригелей - 20 мм
Удаление ключевого отверстия (Backset) - 55 мм
Тип механизма секретности - Цилиндровый
Комплектация цилиндром - Не комплектуется
Дополнительный механизм секретности - Нет
Защелка - Классическая
Тип защелки - Универсальная
Межосевое расстояние - 55 мм
Комплектация ручками - Комплектуется
Способ установки ручки - Стяжки
Материал ручки - Алюминий
Покрытие ручек - Гальваника
Цвет ручки - Хром
Автоматическое запирание - Не автоматическое
Количество точек запирания - 1
Дополнительное запирание изнутри - Нет
Покрытие лицевой планки - Гальваника
Цвет лицевой планки - Хром
Наличие ответной планки в комплекте - Да
Тип цилиндрового механизма - Евроцилиндр
По посадочным размерам замки 16 серии подходят для замены замков ДААЗ, Зенит ЗВ4-3.1 (04,06) и замков Меттем с межосевым расстоянием 55 мм.
Замки имеют сертификат соответствия согласно ГОСТ 5089-2011.
Рекомендуемая толщина двери: 40 - 60 мм.
Рекомендации по использованию с другими товарами:
- механизм секретности 3 класса согласно ГОСТ и выше.
Назначение - Общее
Рекомендован для установки в входные двери - Да
Рекомендован для установки в межкомнатные двери - Да
Тип крепления - Лицевая планка
Тип ригелей - Классический/Прямоугольный
Вылет ригелей - 20 мм
Удаление ключевого отверстия (Backset) - 55 мм
Тип механизма секретности - Цилиндровый
Комплектация цилиндром - Не комплектуется
Дополнительный механизм секретности - Нет
Защелка - Классическая
Тип защелки - Универсальная
Межосевое расстояние - 55 мм
Комплектация ручками - Комплектуется
Способ установки ручки - Стяжки
Материал ручки - Алюминий
Покрытие ручек - Гальваника
Цвет ручки - Хром
Автоматическое запирание - Не автоматическое
Количество точек запирания - 1
Дополнительное запирание изнутри - Нет
Покрытие лицевой планки - Гальваника
Цвет лицевой планки - Хром
Наличие ответной планки в комплекте - Да
Тип цилиндрового механизма - Евроцилиндр
Показать полностью
Свернуть
Характеристики
Бренд
Apecs (Апекс)
Отзывы
Отзывов еще никто не оставлял
Выбрать
Аналогичные товары из раздела «Для деревянных дверей с ручками»
